The Shitbot 

The company I'm currently working for is regularly growing, and it happens more often than before that you go to the bathroom, only to find it already occupied by someone else.

Someone in the company pointed us to a post on meebo's blog where they described having the same issue, and the way they fixed it, but without any technical details. We of course agreed that it would be nice to have something like this, and I started to think about it.

Since I had an unused Linksys WRT54GL, the project should be based on it. Then, I went shoppping for a cheap motion sensor, which happened to behave as a switch : current passes when it's idle, and the circuit is broken for about one second when a motion is detected.

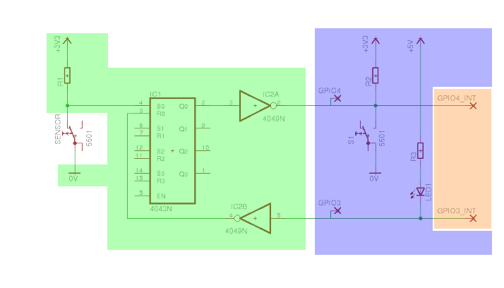
Since I didn't want to do massive polling, I decided to put an RS latch between the sensor and the motion detector. It ended up looking like this:



- the white part is the motion sensor,
- the green part is the RS latch and inverters I added
- the blue part is (probably) the Linksys PCB : GPIOs and hardwired component,
- the orange part is (probably) where the CPU is on the PCB, with its actual GPIO pins.

I "hijacked" GPIO3 (the amber light) and GPIO4 (the Cisco button) to interface the CPU and the RS latch, and this is how it works:

- when the system is idle, both R, S and Q are Low, GPIO4 and GPIO4_INT are high (just like when the Cisco button is not pressed),
- when some movement is detected, S becomes High for one second, Q becomes and stays High, and GPIO4 and GPIO4_INT become Low (just like they would when the button is pressed)
- when a GPIO3 is put to Low for a short moment, the LED blinks, R becomes High then Low again, but Q becomes and stays Low, and the system is back to idle mode (previously memorized movements are forgotten).

Basically, the goal is: once a movement is detected, it is memorized until a reset is sent.

I then did the soldering part, as can be seen on the two following pictures, and closed back the Linksys case (with a simple 3 pins connector added to its side, going to the sensor, for power supply and the switch-like output)





I finally built a simple kernel driver, compiled it using OpenWrt's build system, that creates a file in /proc. When the file is read, it returns "0" if no movement was detected since the last reset, and "1" otherwise.

Then, two simple CGI scripts were added to the mix to expose this /proc file through HTTP. As this device can act as a wireless client, talks HTTP, and does not require frequent polling, it can now be integrated with any intranet technology the company is or will be using.

A prebuilt binary package and a source package are available for the driver.
[ view entry ] ( 2746 views ) permalink
Update: Mac Pro AHCI hack 

I recently received an email form Bela Lubkin, who pointed out some mistakes I made in my previous hack:

In grub-0.97_macrpro_esb2_ahci_stage1.patch, I happened to randomly notice a bug. (Ran across it while googling information to get my Dell notebook w/Ubuntu 8.10 to use ahci rather than ata_piix driver...)

The bug: you've moved the setup of the stack segment register (%ss) after the setup of the stack pointer (%sp). I don't have full context (didn't bother to find the stage1.S full file you're patching), so I don't know if it's OK that you are pushing %edx onto [%old-ss:$STAGE1_STACKSEG]. But probably not. But even worse is the "sti /* we're safe again */". Ancient 8086 mistake. You can't enable interrupts until the stack is setup correctly. Move the %ss setup code back to where it was.

I assume you moved it because you wanted to preserve the fact that %ax == 0 on exit of this bit of code. Well, I did find the grub 0.97 source to make sure: both %al and %ah are subsequently overwritten before being used. You don't have to preserve it.

You can save the whole push/pop %dx: find the comment "%dl may have been clobbered ...", move your code immediately before its `popw %dx; pushw %dx'. This does mean your hack isn't effective if grub is being booted from a floppy, but ... not a problem.

You can also save a few more code bytes. I assume this is being compiled as 16-bit (8086) code, e.g. with ".code16" GNU `as` directive. Thus, the instructions `push %edx' and `pop %edx' need a code32 prefix; replace with `push %dx; pop %dx'. Replace `mov $0xcfc,%dx' with `mov $0xfc,%dl'. Replace `xorl %eax,%eax' with `xor %ax,%ax'.


And he was even kind enough to send me a fix for these, so many thanks to him.

Here are links for the new patch he sent me, and an updated stage1 binary.
[ view entry ] ( 3183 views ) permalink
Enabling AHCI in legacy (BIOS) OS on a Mac Pro 

The Mac Pro is a really nice workstation, which comes with the really nice EFI instead of BIOS.

EFI needs an adaptation layer (the Compatibility Support Module, or CSM) that emulates the BIOS, to be able to boot legacy OS, like Microsoft ones, or any GNU/Linux distribution without EFI support (which is nearly all of them, afaik).

Unfortunately, the CSM provided by apple does not contain an AHCI OpRom, and has to put the disk controller into IDE mode, instead of using the (also really nice) AHCI mode (whereas the controller's default mode is AHCI, and MacOSX uses this mode).

So far, Linux driver developers put the hack in the driver: when initialized, it puts back the controller to AHCI mode. But this does not work with other OS, so I had to put it at a lower level.

As Apple's EFI part of BootCamp is quite simple (just "chainloads" to a legacy bootloader), I decided to use the GNU GRUB to load legacy OS, and modified it to put back the controller in AHCI mode before any OS tries to load a driver for it.

Here is the patch, and here is a stage1 binary built from patched Grub 0.97 sources.

Please note that this is extremely ugly! As I didn't want to spend too much time on this, I decided to go the fastest way: adding the hack as x86 assembly in stage1. But as stage1 has a really strict size constraint (must fit in the first block), I had to remove some other hacks from it, to be able to add mine in.

UPDATE: This OnMac.net forum thread contains a bit more detailled information on how to set this up.

IMPORTANT UPDATE: The patch posted here contains a few mistakes (the binary has been updated, and includes fixes). For a fixed version of the patch, please read this blog entry.
[ view entry ] ( 2624 views ) permalink
Intel 8051 control flow graph generator 

Here is a script I wrote about two years ago, that produces a graph (using Graphviz) of branches and calls from a 8051 hex file, disassembled with Dis51. This µC can be found, for instance, in Cypress USB bridges, that load the firmware from USB when the device is plugged in, and are used for many kinds of applications (I have a DSL modem and a TV tuner that use them, for instance).

It can be used like this:

dis51 -l [entrypoints list] < firmware.hex > firmware.a51
python graphviz_generator.py firmware.a51 [entrypoints list] > graph.gv
dot -Tgif graph.gv > firmware_graph.gif


("entrypoints list" being a list of whitespace separated addresses, like "0x0000 0x0010", without the quotes)

The graph will look as follows:

- Red circles are functions (branches that update the stack pointer)
- Grey circles are RET statements (end of functions, also modify the SP)
- Blue circles are entrypoints
- Squares are normal branch instruction
- plain lines mean the branch is always taken (or when the branch condition is false)
- dashed lines mean the branch is taken if the branch condition is true (JZ, JNZ ...)
- red dashed lines mean a function call

As a small picture usually talks more than a long text, so here is a really BIG picture.

And finally, the script.
[ view entry ] ( 2430 views ) permalink
WaveMixer RPM package 

WaveMixer is a really nice looking and easy to use multitrack wave editor written by friends of mine. It uses really neat technology like GTK+, Gstreamer and LADSPA. I built the first WaveMixer RPM package for them, and I believe they are now handling them by themselves.

Even if you're not into music authoring, you should really give their software a try, as it's so entertaining !
[ view entry ] ( 2355 views ) permalink

<<First <Back | 1 | 2 | 3 | 4 | Next> Last>>